ピロリ菌
発見

1983年、オーストラリアの医師ワレンとマーシャルが胃の中に生息する菌を発見しました。
元来、胃の中は強い酸である胃酸のため細菌などは生息できないと考えられておりました。
(実際には、ピロリ菌はウレアーゼという酵素のバリアをカラダの周りに張り巡らせて胃酸からカラダを守っています。)
以前に、別の医師が胃液の細菌培養にチャレンジしたことがありましたが、このときは何も検出されなかったという経緯もあります。
その後の研究で、ピロリ菌が胃癌をはじめとする様々な病気の原因となっていることが判明し、この二人の医師はノーベル医学・生理学賞を受賞しました。
ピロリ菌と病気

ピロリ菌に感染していると、
① 胃かいよう
② 十二指腸かいよう
③ 胃がん
④ 特発性血小板減少性紫斑病
⑤ 胃MALTリンパ腫
⑥ 慢性じんましん
⑦ 鉄欠乏性貧血
⑧ 特発性てんかん
などの病気の原因になると考えられております。
ちなみに、胃がん患者さんの実に95%がピロリ菌に感染しており、WHO(世界保健機構)より胃がん発症のリスクと認定され、ピロリ菌感染者は除菌治療を推奨されております。
保険適応と、検査・治療のながれ
感染の経路と感染率

<感染経路>
保菌している親やペットとの小児期の濃密な接触(離乳食の口移しなど)、あるいは井戸水・食品を介した感染経路などが有力視されていますが、まだ完全には解明されていません。
<感染率>
右のグラフの通り、40歳以上で感染率が著明に増加し、実に40歳以上の8割の方が感染していると報告されています。
(衛生環境の改善に伴い、若い世代では感染も減少していると考えられています。)
検査
ピロリ菌がいるかどうか検査で調べてみましょう!
当院では、各種検査が可能です。
|
治療
かいようのクスリ(プロトンポンプ阻害剤)と2種類の抗生物質を、朝・夕食後に7日間連続で服用するだけです。
(入院等の必要はありません。)
治療成績(ピロリ菌を退治できる確率)は、約85〜90%です。
1回目の治療でピロリ菌を退治できなければ、2次除菌といって別の抗生物質の組み合わせで、朝・夕食後に7日間内服治療します。
かいようの治療等でプロトンポンプ阻害剤(タケキャブ・パリエット・ネキシウムなど)を内服中の方は、すぐにはピロリ菌の治療はできません。

プロトンポンプ阻害剤を内服していると、胃の中の酸度が減ります。
胃酸はpH=1の強い酸で、かいようや胃炎を治すためにプロトンポンプ阻害剤を内服して胃の中の酸度を低下させます。(pH=4程度になります)
つまり、傷に強い胃酸をかけると傷がひどくなるため、酸度を弱めるということです。
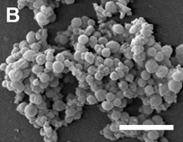
ところが、胃の中の酸度が低下すると、ピロリ菌は活動性が低下し、写真のように丸くなります。
この丸くなったピロリ菌の状態を、coccoid form(コッコイド・フォーム)といいますが、いわゆる冬眠状態のような状況になります。
一旦こうなると、抗生物質などで攻撃してもなかなか死滅しなくなってしまいます。
では、どうすればよいのでしょうか?
プロトンポンプ阻害剤を中止して1ヶ月以上経過しないと、ピロリ菌は冬眠状態から脱しないことがわかっていますので、これらのクスリを中止して1ヶ月以上あとにピロリ菌の治療を開始して下さい。
なお、かいよう等で治療している場合、突然プロトンポンプ阻害剤を中止すると、かいよう等が再発することが分かっていますので、H2ブロッカー(アシノン・ガスターなど)という胃薬に変更します。
(これをステップ・ダウン・テラピーといいます。)
すなわち、H2ブロッカーを1ヶ月以上内服してから、ピロリ菌の治療に入るということです。
















